Selles pour ponts ABR-1 Tune-o-matic
Un jeu de 6 selles de rechange en laiton pour notre pont ABR-1 Tune-o-matic.
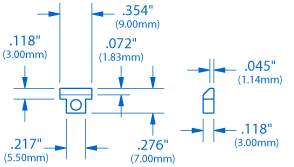
Ces selles sont fournies sans encoches, pour un espacement des cordes personnalisé dans votre atelier.Nous vous recommandons de commander notre vis de selle pour correspondre aux filetages M3 x 0,5 .
Remarque : ces selles ne conviennent pas aux ponts Gibson ABR-1.
Astuce : Selles de style Slotting Tune-o-matic
Leslimes à fente nut conviennent parfaitement aux selles métalliques. La marche à suivre est la même que sur un sillet de chevalet : utilisez une lime faisant la même largeur que la corde ou quelques millièmes de pouce de plus. Après avoir creusé le pontet à la profondeur souhaitée, nous vous recommandons de polir la rainure avec du fil abrasif Mitchell’s pour éliminer les traces de lime et les bavures.
- Article #
- Poids
- 4568
- 0,0140 lb (0,01 kg)
- 4568-BR
- 0,0140 lb (0,01 kg)






