Tuners de guitare Waverly 3-On-Plate avec boutons en nacre pour têtes à fente
Précision moderne et style vintage pour les guitares à cordes en acier à tête fretté . Depuis des décennies, les mécaniques Waverly sont la norme par laquelle tous les autres mécaniques sont mesurés. Découvrez la stabilité et les performances de réglage qui vous manquaient.
Pour une précision de réglage maximale, nos 16:1 machines à plaques de précision sont dotées des mêmes engrenages et des douilles à vis sans fin filetées brevetées que celles de tous les Waverly. Les tiges en laiton sont montées sur des plaques de base en laiton poli pour une élégance et un style authentiques.
Chaque plaque de base est usinée CNC de précision en laiton massif pour un alignement parfait dans la charge. Ces assiettes gravées artistiquement vieillissent en une belle patine pour l’aspect et le toucher de la qualité.
Conception de remplacement direct
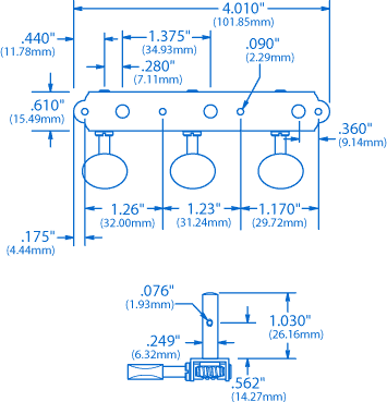
Pas besoin de percer des trous de montage supplémentaires lors du remplacement de machines vintage similaires sur les guitares Martin, National et Dobro plus anciennes. Reportez-vous aux spécifications pour les dimensions à comparer aux mécaniques de votre instrument.
Réglage précis chanson après chanson
La conception du rapport de 16:1 vitesse comprend nos douilles à vis sans fin filetées brevetées pour éliminer le jeu, pour un fonctionnement incroyablement fluide. Vous jouez en accord et restez en accord.
Longue durée de vie avec moins d’usure
Les engrenages à vis sans fin en acier inoxydable ont deux bagues pour une durée de vie inégalée année après année. Les engrenages à tige à corde sont usinés en alliage de bronze, qui est beaucoup plus durable que le laiton. Les arbres à chaîne en laiton ont un diamètre de 1/4 po avec un espacement de 1-3/8 po (34,93 mm po).
Les boutons Mère de Perle authentiques ont une iridescence, une brillance et une silhouette naturelles qui se distinguent des imitations plastiques. Le jeu de tuners comprend des vis à fretté.
Construit avec les meilleurs matériaux
- Embases en laiton massif poli
- Plaques de base usinées CNC de précision pour un alignement parfait
- Engrenage à vis sans fin en acier inoxydable
- Douilles à vis sans fin en nylon pour un toucher plus lisse
- Engrenage à tige en alliage de bronze usiné
- Tiges de corde en laiton usiné 1/4 po
- Vis à tête fendue de style vintage
Caractéristiques techniques
- Rapport de 16:1 vitesse moderne
- Boutons en nacre
- Tiges de chaîne de 1/4 po avec espacement de 1-3/8 po (34,93 mm)
- ferrure de montage inclus
- Jeu de deux plaques : 3 à gauche/3 à droite mécaniques
Conseils d'installation
Percez des trous pilotes pour les vis de montage :L'
installation de vis délicates dans du bois dur nécessite un grand soin et une grande précision. Avant d’installer ces vis, nous vous recommandons vivement de percer des avant-trous avec la mèche à butée de profondeur # 1712 (mèche de 5/64 po). Lubrifiez le filetage des vis à l’aide de lubrifiant de coupe (vous pouvez également utiliser de la cire ou un bout de savon) pour réduire la friction et les visser plus facilement.
Mécaniques d’accordage Waverly : le choix des fabricants de guitares de renom
| Altman Bear Creek Beard Bedell Guitars Borges Bourgeois Breedlove Buscarino Collings Franks Froggy Bottom Galloup Gibson Goodall |
Hooper Huss & Dalton Kallenbach Knaggs Ko'olau Kopp Larrivée Lewis Lucas Maingard Martin Merrill National |
Paul Reed Smith Proulx Rockbridge RoZaWood Sams Santa Cruz Schaefer Schoenberg Sexauer Skipper Steinegger Tippin Webber |
« Elles conservent l’accordage et sont superbes… Évidemment que je recommande Waverly. » - Dick Boak, Martin Guitars
« Nos mécaniques préférées. » - Collings Guitars
« Les meilleures mécaniques sur le marché. » - Tony Rice
« Utiliser des mécaniques de moindre qualité, c’est vraiment se compliquer la vie. » - Jorma Kaukonen
« On peut se réaccorder rapidement et avec précision sans aucun problème, qu’on soit sur scène ou en studio. Enfin des mécaniques d’accordage aussi belles que l’instrument lui-même. Comment faisait-on avant les mécaniques Waverly ? » - Steve James, Austin, Texas
« Un accordage rapide sur scène ou en studio d’enregistrement… fluidité, précision et équilibre au bout des doigts. » - Herb Pedersen
« Elles sont aussi efficaces que magnifiques. Vraiment les meilleures mécaniques ! » - Jim Merrill, Merrill Guitars
« Ce sont tout simplement les meilleures mécaniques pour guitare acoustique. Pour moi, il n’y a pas mieux. » - Dakota Dave Hull
Une mécanique digne de l’horlogerie de luxe ! » - M.J. Franks Guitars
-
- Article #
- Poids
-
- 3523-BR
- 0,25 kg (0,570 livres)


