Golden Age Tuners de restauration pour mandolin de style A
Le look du début du 1900s est de retour ! Remplacements tant attendus des mécaniques de type A utilisés par Gibson et d’autres fabricants de la 1910s à la 1925.
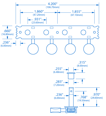
La configuration « vis sans fin sous la tige de chaîne » et l’espacement plus large des tiges vintage sont idéaux pour restaurer les mandolines plus anciennes et améliorer leur réglage, et pour rendre les répliques d’instruments modernes plus authentiques. Notre version avec finition nickel relique a le bon look pour compléter les ferrure métalliques vintage.« Les personnes qui fabriquent des répliques d’instruments ou qui effectuent des travaux de restauration ou de réparation vont simplement les adorer. »
—Frank Ford, expert en réparation d’instruments vintage
Remarque spéciale sur la espacement des cordes ! Ces mécaniques disposent d’un espacement de tige de chaîne de 0,931 po (1910s-1925) historiquement correct. Ceci est plus large que l’espacement standard de 0,906 po (29/32 po). Veuillez mesurer l’espacement entre les tiges de chaîne de votre mandoline avant de commander.
Les plaques de base en acier présentent la forme originale du début du 1900s , des « bandes de roulement » incisées et des supports à vis sans fin carrés rivetés de style vintage.
Chaque ensemble comprend :
• Paire de machines de réglage 4 gauches et 4 droites
• Douilles à placage de tête à ajustement par pression
• 1920s-style vis de montage
| Rapport d’engrenage | 15:1 |
| Diamètre de la douille | 0,283 po (7,19 mm) |
| Diamètre de la tige de chaîne | 0,236 po (6 mm) |
| Espacement des tiges de chaîne | Début 1920s .931" (23,65 mm) |
Ces mécaniques ont un espacement spécial pour le Gibson vintage et d’autres marques avant la Seconde Guerre mondiale. Veuillez noter que notre espacement standard gabarit de forage n'alignera pas les trous précis pour ces mécaniques.
Astuces d’installation
Vis de fixation : pré-perçage requis. Installer ces vis délicates dans du bois dur requiert beaucoup d’attention et de précision. Avant d’installer ces vis, nous vous recommandons vivement de percer des avant-trous avec la mèche à butée de profondeur # 1714 (mèche de 3/32 po). Lubrifiez le filetage des vis à l’aide de lubrifiant de coupe (vous pouvez également utiliser de la cire ou un bout de savon) pour réduire la friction et les visser plus facilement.
- Article #
- Poids
- 2505
- 0,3100 lb (0,14 kg)
- 2505-N
- 0,3160 lb (0,14 kg)
- 2506
- 0,3160 lb (0,14 kg)
- 2523-B
- 0,315 lb (0,14 kg)








