Sloane Classical Guitar Tuners avec boutons ivoroïdes et embases déco
Le choix des luthiers renommés, les accordeurs classiques Sloane faits main sont le premier choix pour de nombreuses guitares de concert. Des composants de qualité supérieure, un design innovant et un savoir-faire méticuleux s’associent pour offrir des performances de réglage inégalées. Conçu par le luthier pionnier Irving Sloane, désormais conçu et raffiné par Waverly.
Conception supérieure
- Rouleaux en aluminium revêtus de poudre améliorés avec arbres intérieurs en laiton et trous de montage en corde doublés de laiton. Pas de fissuration, pas d'usure prématurée.
- Les bagues brevetées éliminent le jeu dans la roue à vis sans fin, pour un réglage incroyablement précis et un toucher doux.
- Les plaques de base et les poteaux de support sont en laiton usiné CNC monobloc, plus stables que les ensembles rivetés courants.
- Les roulements à billes de précision sur chaque rouleau de corde empêchent l'adhérence pour un nouveau niveau de réglage fluide et sans effort pour l'artiste.
Engrenages longue durée
- Les 16:1 couronnes en alliage de bronze sont plus durables que les engrenages en laiton utilisés dans d’autres tuners.
- Les vis sans fin et les vis en acier inoxydable assurent une durée de vie plus longue avec moins d’usure.
Les boutons ivoroïdes ressemblent à de l’ivoire véritable, mais ils constituent une alternative durable non animale. Les plaques de base en laiton obtiendront une belle patine antique.
Caractéristiques techniques
- Rapport de 16:1 vitesse moderne
- Boutons ivoroïdes
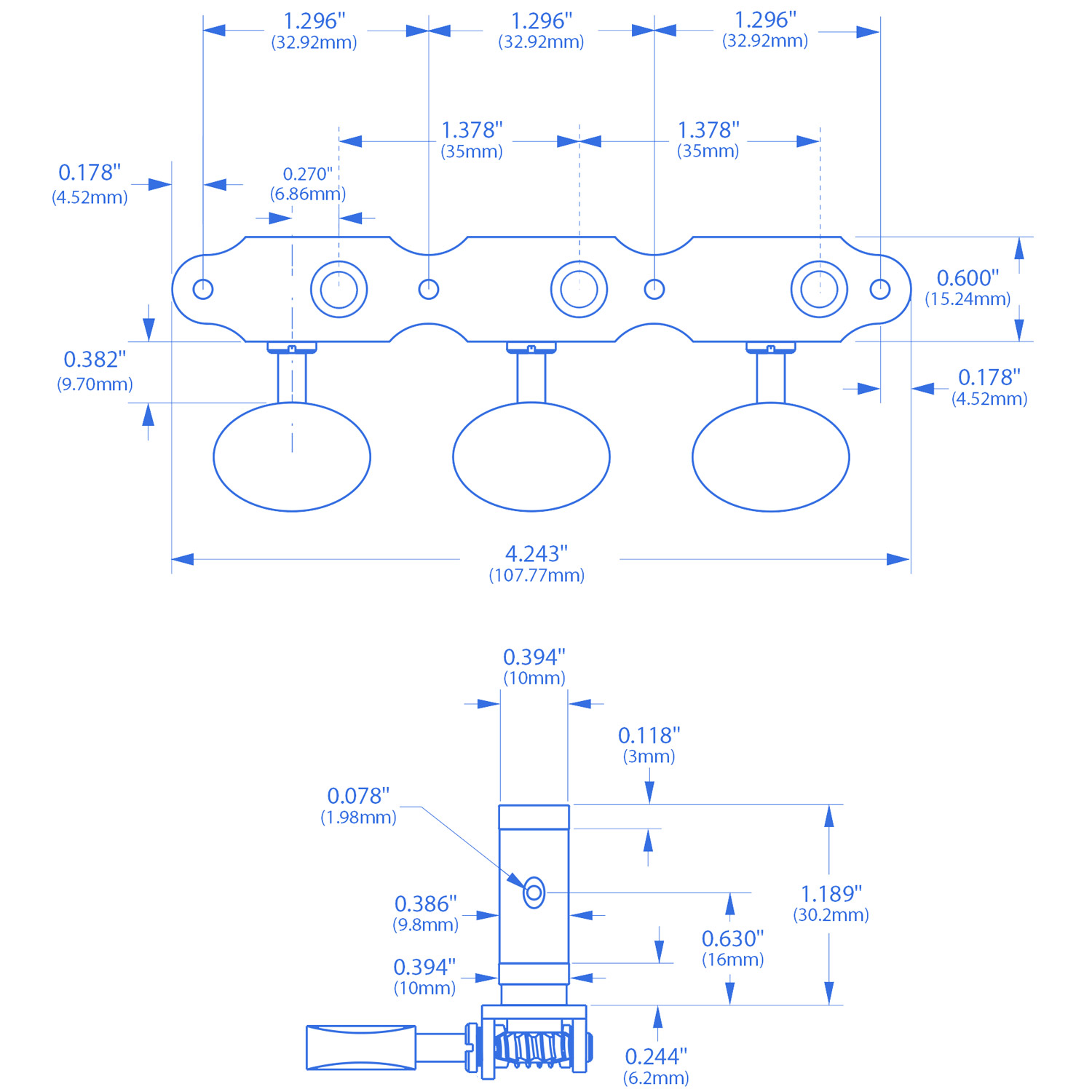
- Rouleaux de chaîne de 3/8" (9,8 mm) de diamètre avec roulements à billes de 13/32" (10 mm)
- Espacement des rouleaux de chaîne 1-3/8" (35 mm)
- Matériel de montage inclus
- Jeu de deux plaques : 3 réglages à gauche/3 à droite
Conseils d'installationPercez
des avant-trous pour les vis de montage :
L'installation de vis délicates dans du bois dur nécessite un grand soin et une grande précision. Nous recommandons fortement la mèche à butée de profondeur n° 1711 (mèche n° 50 ) pour le trou pilote avant d’installer ces vis. Lubrifiez le filetage des vis à l’aide de lubrifiant de coupe (vous pouvez également utiliser de la cire ou un bout de savon) pour réduire la friction et les visser plus facilement.
Les tuners Sloane sont le choix des luthiers de renom
Greg Brandt, États-Unis
Greg Byers, États-Unis
Rolf Eichinger, Espagne
Jean-Marie Fouilleul, France
Armin Gropp, Allemagne
Armin Hanika, Allemagne
Hill Guitars, États-Unis
Bert Kwakkel, Pays-Bas
David LaPlante, États-Unis
Augustino Lo Prinzi, États-Unis
Maingard Guitars, Afrique du Sud
Hiroshi Mizuhara, Japon
Thomas Rein, États-Unis
Dake Traphagen, États-Unis
Otto Vowinkel, Pays-Bas
-
- Article #
- Poids
-
- 100634
- 0,30 kg (0,661 livres)




