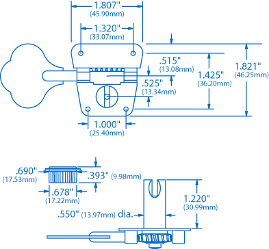
Machines à basses Schaller, jeu de 4-In-Line
mécaniques de basses « oreille d’éléphant » avec rapport 20:1 de vitesse régulier et montants à ficelles fretté. Trous de cheville de 11/16 po de diamètre requis.
Ces machines peuvent être démontées pour inverser les arbres d’engrenage à vis sans fin pour les têtes de cheville gauches si nécessaire. Vis et bagues press-fit incluses.
Chrome.
Avant-trous requis : l’installation de vis délicates comme celles-ci dans l’érable dur exige une grande précision et beaucoup de soin. Nous recommandons fortement d'utiliser un embout de 5/64" pour le trou pilote avant d'installer ces vis. Lubrifiez le filetage des vis à l’aide de lubrifiant de coupe (vous pouvez également utiliser de la cire ou un bout de savon) pour réduire la friction et les visser plus facilement.
- Article #
- Poids
- 0,47
- 0,9784 lb (0,44 kg)



