Sélecteur de micros 3 positions Switchcraft
Instructions d’installation et de câblage pour l’interrupteur à Toggle à 3 positions.
Le commutateur à 3 positions double pôle Switchcraft est la norme pour Gibson® et d’autres guitares américaines à 2 ramassage.
Remarques sur le câblage
Réduisez le bruit électrique indésirable en utilisant un câble coaxial blindé pour vos longs passages de câblage (par exemple, la connexion entre les commandes et la jack sortie). Le câble coaxial contient un conducteur « chaud » central qui est blindé par une tresse extérieure utilisée pour le fil de terre.
Pour les connexions courtes entre les composants, utilisez un fil non blindé standard. En général, le fil blanc est utilisé pour la mise à la terre du pont.
À propos de nos kits
Les kits de câblage Stewart-MacDonald contiennent des fils non blindés noirs et blancs, ainsi qu’un câble coaxial blindé. Un fil noir supplémentaire est inclus pour faire passer une mise à la terre jusqu’au pont.
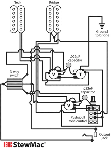
#2193 Kit de câblage Gibson® Les Paul® Kit de câblage push-pull
avec pots push-pull CTS fractionne les bobines des humbuckers pour un fonctionnement en simple bobinage lors du câblage de votre Gibson® Les Paul® ou SG®. Ils sont destinés aux ramassages à humbuck avec accès aux liaisons en série (3 fils, 5 fils, etc.).
Kit de câblage Gibson® SG® Push-pull #2194
Kits de câblage avec pots CTS push-pull pour séparer les bobines des humbuckers pour un fonctionnement en simple bobinage lors du câblage de votre Gibson® Les Paul® ou SG®. Ils sont destinés aux ramassages à humbuck avec accès aux liaisons en série (3 fils, 5 fils, etc.).
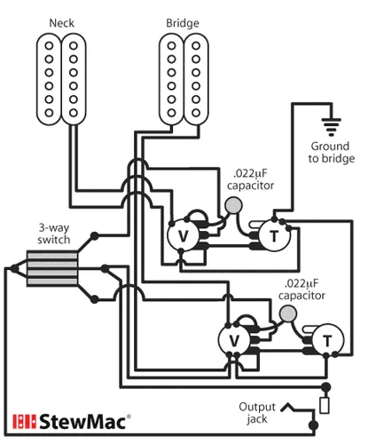
Kits de câblage #2133 Gibson® Les Paul®, #2133-SP Les Paul Special® et #2134 SG®
Câblage de contrôle de volume alternatif
Vous pouvez câbler les deux contrôles de volume d’un appareil Les Paul (ou tout autre instrument de contrôle de volume double) afin de pouvoir mélanger le volume des capteurs indépendamment. Cela résout le problème à la position centrale du sélecteur, dans laquelle le fait de désactiver une commande de volume affecte les deux capteurs.
Schéma de câblage Gibson® Jimmy Page Les Paul®
Cette option de câblage JPLP vous permet de couper le micro chevalet en spirale à l’aide d’un réglage de la tonalité par push-pull L'autre caractéristique du câblage JPLP est que dans la position centrale du sélecteur d'enlèvement, le micro chevalet est déphasé avec l'enlèvement du col.
Dans cette configuration, l’humbucker de pont ne peut pas être un capteur à 2 conducteurs. Le capteur doit avoir 3 ou 4 fils conducteurs, plus un blindage ou un fil nu. Suivez les spécifications du fabricant de votre capteur et câblez la liaison série (découpée par bobine) au Potentiomètres Push-Pull comme indiqué sur le schéma. Connectez le fil nu et le fil « chaud » typique à la terre (généralement à l'arrière du potentiomètre de volume). Ensuite, câblez le fil de terre typique à la cosse d’entrée de la commande de volume du micro chevalet. Cela devrait vous donner un son déphasé en position centrale. Sinon, inversez simplement les fils chauds et de terre du micro chevalet.
Kit de câblage n° 2136 pour guitare 2-Pickup
Ce schéma de câblage convient à toute guitare à 2 prises avec humbuckers, bobines uniques ou une combinaison des deux (volume maître, tonalité maître).
