Interrupteur à Toggle métrique à 3 positions
Instructions d’installation et de câblage de l’interrupteur à Toggle à 3 positions, notamment les schémas pour Les Paul, SG, Jimmy Page Les Paul et d’autres guitares à 2 micro-prises.
Ce sélecteur à 3 positions bipolaire est couramment utilisé pour Les Paul® et d’autres guitares à 2 micro-capteurs.
Remarques sur le câblage
Réduisez le bruit électrique indésirable en utilisant un câble coaxial blindé pour vos longs cycles de câblage (par exemple, la connexion entre les commandes et le jack de sortie). Le câble coaxial contient un conducteur « chaud » central qui est blindé par une tresse extérieure utilisée pour le fil de terre.
Pour les connexions courtes entre les composants, utilisez un fil non blindé standard. En général, le fil blanc est utilisé pour la mise à la terre du chevalet en noir et chaud.
À propos de nos kits Les kits de câblage
Stewart-MacDonald contiennent un fil non blindé noir et blanc, ainsi qu’un câble coaxial blindé. Un fil noir supplémentaire est inclus pour faire passer une mise à la terre vers le chevalet.
#1802 Kit de câblage pour guitare à deux ramassage ![]()
Ce schéma de câblage convient à toute micro guitare à deux ramassage avec humbuckers, bobines uniques ou une combinaison des deux (volume maître, tonalité maître).
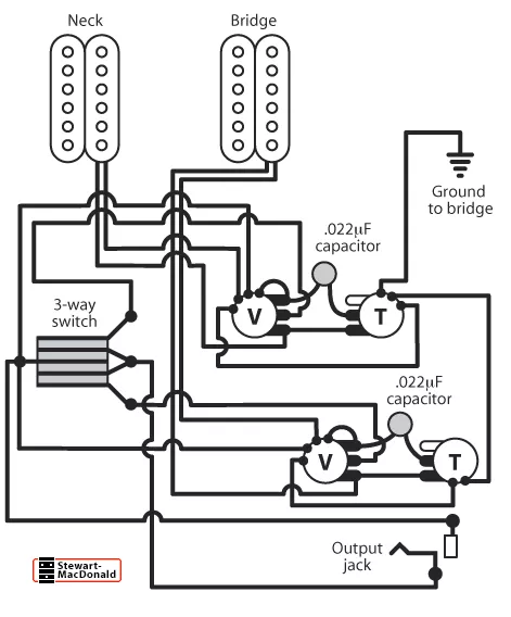
#0133 Kit de câblage Les Paul et kits de câblage #0125 SG Câblage de commande de volume ![]()

alternatif
Vous pouvez fil les deux commandes de volume d’un instrument de commande de volume Les Paul (ou tout autre instrument de commande de volume double) afin de pouvoir mélanger le volume des capteurs indépendamment. Cela résout le problème à la position centrale du sélecteur, dans lequel le fait de baisser une commande de volume affecte les deux capteurs.
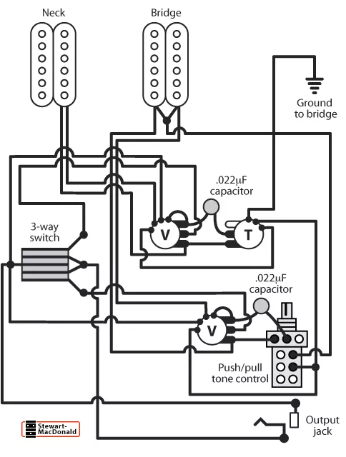
#0126 Kit de câblage JPLP ![]()
Le kit de câblage JPLP (Jimmy Page Les Paul) vous permet de couper en bobine le micro chevalet à l'aide d'un réglage de la tonalité par push-pull L'autre caractéristique du câblage JPLP est que dans la position centrale du sélecteur de micro-déclenchement, le micro chevalet du pont est déphasé avec le micro-déclenchement de la manche.
Dans cette configuration, le humbucker du chevalet ne peut pas être un micro-déclenchement à 2 conducteurs. Le micro doit avoir un fil conducteur 3 ou 4 , plus un blindage ou un fil nu. Suivez les spécifications du fabricant de votre micro-dépôt et fil la liaison série (découpée par bobine) au Potentiomètres Push-Pull comme indiqué sur le schéma. Raccordez le fil nu et le fil « chaud » typique à la terre (généralement à l'arrière du potentiomètre de volume). Ensuite, fil le fil de terre typique à la cosse d’entrée de la commande de volume du micro chevalet. Cela devrait vous donner un son déphasé en position centrale. Si ce n'est pas le cas, inversez simplement les fils chauds et de terre du micro chevalet.
