Golden Age Parsons Street Humbucker
Schémas de câblage et codes couleur pour les ramassages Golden Age Parsons Street Humbucking.
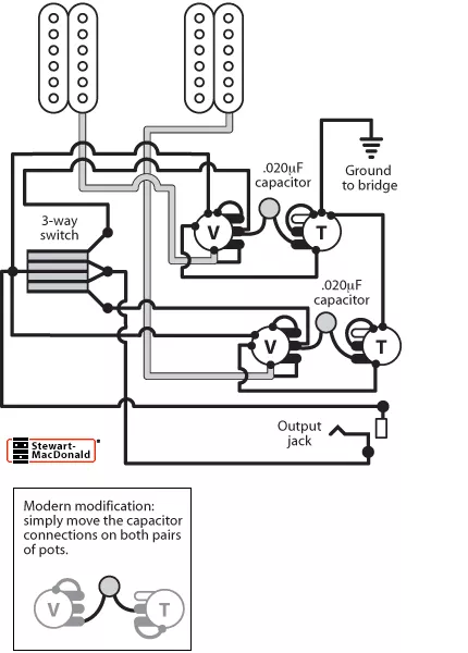
Câblage de deux humbuckers
(50s Les Paul®)
Lors de l'utilisation d'un fil coaxial câble avec gaine , la tresse extérieure est raccordée à la terre. Le fil interne est le conducteur chaud pour transporter le signal.
Autre câblage de contrôle du volume : vous pouvez fil les deux contrôles du volume d’un appareil Les Paul (ou tout autre instrument de contrôle du volume double) afin de pouvoir mélanger le volume des capteurs indépendamment. Cela résout le problème en position centrale du sélecteur où le fait de baisser une commande de volume affecte les deux capteurs.
Réglage
de la hauteur de ramassage Pour les humbuckers, il doit y avoir un écart d’environ 3/32 po entre le haut de la pièce polaire E basse et le bas de la corde E basse en contact avec la frette la plus haute (21e ou 22e), et d’environ 1/16 po pour la corde E haute. Les humbuckers peuvent généralement être ajustés plus près des cordes que les bobines uniques, car ils n’ont pas autant de traction magnétique focalisée. Expérimentez la hauteur de vos ramassages de pont et de manche pour trouver le meilleur équilibre en sortie et la meilleure tonalité.
