Selles en titane KTS pour pont Nashville Tune-o-matic - Jeu de 6
Vous voulez réveiller votre Tune-o-matic ? Améliorer avec du titane !
Les meilleurs constructeurs et joueurs jurent par les avantages ton sur ton des selles en titane. Le titane est plus léger que l’acier, mais beaucoup plus dur. Ces selles sont extrêmement durables, résistent à la corrosion et peuvent améliorer le tonus et la durabilité.
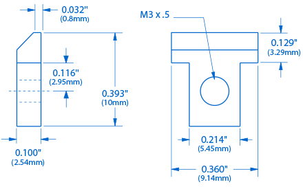
Ces selles KTS remplacent votre Gibson® ou notre pont Nashville Tune-o-matic. Elles ont la même forme et les mêmes fils que vos selles d’origine. Elles sont fabriquées avec précision au Japon pour des tolérances ultra-élevées.
Comment sonnent-ils ?
L’installation de selles en titane changera instantanément de ton. Les utilisateurs signalent que leurs guitares ont plus de séparation des notes et une meilleure définition de chaîne à chaîne. Beaucoup disent également que le poids plus léger rend la guitare plus dynamique et améliore le contenu harmonique.
Les selles KTS Titanium sont installées par The Gibson Custom Shop, The Fender Custom Shop, Tom Anderson Guitar Works, The Ibanez Custom Shop, Michael Tobias Design, Lentz Guitar, Manson Guitar Works et bien d’autres.
Trouvez le set qui convient à votre guitare
Nous avons également des selles pour la technologie Original ABR-1 Tune-o-matics . Vous avez une stratégie ? Nous avons également des selles en titane KTS pour Strat . Veuillez mesurer votre pont avant de commander.
Astuce : Selles de style Slotting Tune-o-matic
Leslimes à fente nut conviennent parfaitement aux selles en titane. La marche à suivre est la même que sur un sillet de chevalet : utilisez une lime faisant la même largeur que la corde ou quelques millièmes de pouce de plus. Après avoir creusé le pontet à la profondeur souhaitée, nous vous recommandons de polir la rainure avec du fil abrasif Mitchell’s pour éliminer les traces de lime et les bavures.
- Article #
- Poids
- 4674
- 0,040 lb (0,02 kg)


